Large-Diameter Optical Beam System
The YuLing collimator employs a 2000 mm focal length and a Φ200 mm effective aperture to produce a highly uniform parallel light beam. It delivers ≤10″ beam parallelism and ≤0.65″ resolution, ensuring optical accuracy for laboratory-grade calibration. The instrument serves as a standard reference in optical material uniformity inspection and component alignment, providing stable illumination for evaluating lens performance, optical axis consistency, and imaging precision.
High-Performance Collimator Lens Construction
Engineered with a precision-ground collimator lens and advanced coatings, the system achieves excellent transmission over the 380–780 nm wavelength range. Its field of view ≥0.8° enables clear, wide-field observation for alignment and resolution analysis. Structural stability is ensured through a reinforced optical tube, minimizing thermal distortion and maintaining consistent focus accuracy within ±1% during extended operation in demanding environments.
Versatile Optical Testing Configurations
With flexible configurations, the pinhole collimator supports multiple testing modes through accessory integration. Paired with microscopes, mirrors, and reticle plates, it can measure focal length, intercepts, surface flatness, and straightness deviations. Using resolution or star pattern plates, it evaluates image quality of lenses, prisms, and mirrors. Its modular adaptability makes it suitable for both laboratory and field use in precision metrology, optical manufacturing, and calibration research.
Product Advantages
Superior Beam Parallelism And Precision
Each collimator undergoes strict interferometric calibration to maintain ≤10″ optical parallelism. The system’s robust alignment and optical uniformity ensure consistent, repeatable testing results for optical instruments and calibration setups.
High Transmission And Broad Spectrum Capability
The collimator lens uses multilayer anti-reflection coatings for optimal light throughput and minimal distortion across the visible spectrum. This ensures bright, high-contrast illumination and accurate resolution pattern visualization under diverse testing conditions.
Expert Collimator Manufacture And Custom Engineering
As a leading collimator manufacture, YuLing Technology combines precision machining, optical polishing, and strict quality inspection. Custom focal lengths, aperture sizes, and mounting interfaces are available to meet specific industrial or scientific requirements. Every product is tested for wavefront accuracy and mechanical integrity to guarantee lasting performance and reliability.
Applications:
The F-2000 Collimator Tube is an instrument used to generate a large-diameter parallel light beam, with a wide range of applications. By selecting different reticle plates and pairing it with various accessories such as observation microscopes, front mirrors, it can be used for the following purposes:
- As a fundamental tool for optical instrument alignment and adjustment.
- With the selection of a Borosilicate plate and paired with a reading microscope or measuring microscope, it can be used for measuring the intercepts and focal lengths of lenses and various objective lenses.
- With the selection of an appropriate resolution plate, and paired with an observation microscope and front mirror, it can be used for determining the resolution of lenses, prisms, plane mirrors, and various objective lenses, as well as for assessing image quality by observing resolution patterns.
- With the selection of an appropriate star pattern plate and paired with an observation microscope and front mirror, it can be used to evaluate the image quality of lenses, prisms, plane mirrors, and various objective lenses.
- By equipping the instrument with specialized mirrors and measuring eyepieces, it can be used to measure straightness or flatness deviations of rails and large flat surfaces.
- As a tool for aiming at long-distance targets.
Additionally, the F Series Collimator Tubes are essential test reference components for optical material uniformity checks and the calibration of various optical mounts. Therefore, they are commonly used in the production, research, and teaching of optical instruments.
Working Principle:
As shown in the figure below, the reticle serving as the target is uniformly illuminated by light source 1 through various color filters 2. If the reticle 3 is correctly positioned at the focal plane of the objective lens 4, the light emitted from the objective lens forms a parallel light beam, which is equivalent to light originating from infinity.

Optical path diagram:

Standard Components:
- Collimator Main Unit: 1 piece(Equipped with a fine-tuning foot bracket)
- Filters: 2 pieces (Orange, center wavelength 600nm; Green, center wavelength 532nm)
- Attenuator: 1 piece (Neutral Attenuator 430–730nm)
- Visible Reticles: 13 piece(Crosshair Reticles*1,Resolution Reticles*6 :1#2#/3#/4#/5#/USAF1951,Star Point Reticles*5: 0.1/.01/0.2/0.02/0.05,Porro Board*1)
- DC voltage stabilizing power supply: 1 piece (Output voltage:0-30V,Output current:0-5A)
- Light Source Assembly: 1 set (12V30W halogen light source)
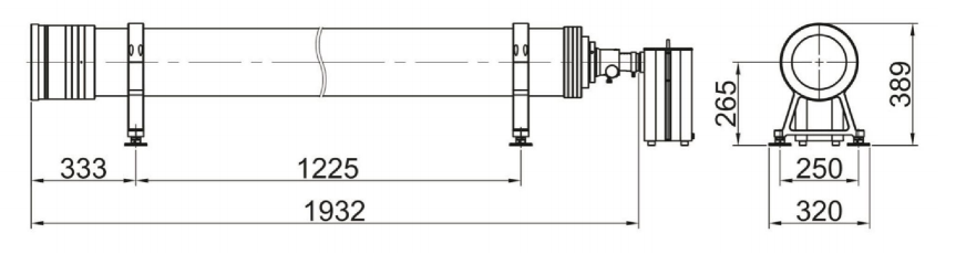
External dimensions:(Unit: mm)

About Us
YuLing Technology, headquartered in Chongqing, China, specializes in designing and producing high-precision optical and photoelectric measurement instruments. With an R&D base in Xi’an, the company focuses on collimators, autocollimators, optical benches, and calibration systems for aerospace, defense, and industrial metrology applications. Its expertise spans optical engineering, mechanical design, and electronic integration. YuLing emphasizes quality assurance, technical precision, and dependable customer support, offering tailored optical solutions that align with international measurement standards.
Request professional specifications or tailored optical calibration solutions from YuLing today!
FAQ – Frequently Asked Questions
How accurate is the YuLing collimator in beam generation?
It provides ≤10″ beam parallelism and ≤0.65″ resolution, verified through precision interferometric testing.
What is the operating wavelength range of the collimator lens?
The optical system works from 380 nm to 780 nm, covering the full visible light range.
Can the pinhole collimator configuration be customized?
Yes, users can choose from various reticle plates, star patterns, and optical accessories for specific measurement tasks.
What is the expected delivery time for production?
Lead time ranges from four to six weeks depending on customization and accessory options.
Does YuLing offer recalibration or maintenance services?
YuLing provides comprehensive recalibration, optical cleaning, and component replacement services for sustained precision.










